Актуатор Theben LUXORliving D4 DALI (4800300)
Категории: Система умного дома Theben LuxorLiving
Сопутствующие файлы:
Паспорт
363.75 KBytes
o41061v78_LUXORliving_D4_DALI_Datenblatt.pdf
Инструкция
2.73 MBytes
o41130v32_LUXORliving_D4_DALI_Bedienungsanleitung.PDF
Файл настройки
2.36 MBytes
o25201v53_LUXORliving_KNX_DB_KNXDatenbank.ZIP
Обзор
Описание функций
- 4-кратный актуатор DALI LUXORliving, сертификат DALI 2
- Интерфейс между шинной системой и системой освещения DALI (цифровой адресный интерфейс освещения)
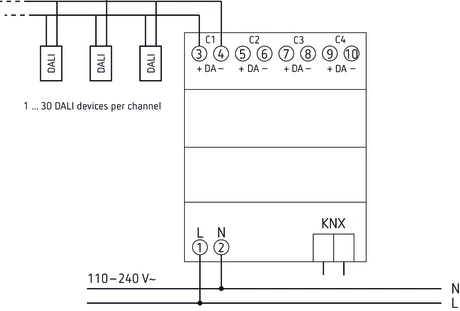
- Для управления до 30 устройствами DALI на канал посредством команд.
- Обеспечивает очень простой ввод в эксплуатацию без проблем с адресацией или группировкой на стороне DALI.
- Даже в случае неисправности устройства управления DALI можно легко заменить без дальнейшего программирования.
- Внутренний источник питания DALI с выходным током 60 мА на канал
- В дополнение к классическим функциям, таким как переключение, затемнение, сцены, актуатор DALI также предлагает возможность управления цветом и цветовой температурой (тип устройства 8).
- Загрузите программное обеспечение для ввода в эксплуатацию LUXORplug по адресу https://luxorliving.de/luxorplug.
Технические характеристики
| Рабочее напряжение KNX | ≤10 мА |
| рабочее напряжение | 110–240 В переменного тока, 50–60 Гц |
| Частота | 50 – 60 Гц |
| Ширина | 4 ТЕ |
| Цвет | Белый |
| Тип крепления | DIN-рейка |
| Класс защиты | II согласно EN 60 669 |
| Степень защиты | IP 20 |
Технические рисунки

Характеристики
| Категория KNX | Актуатор диммер |
| Бренд | Theben |
| EAN | 400346 |
| Гарантия | 24 мес. |
| Вид питания | DALI, DALI-2 |
| Степень защиты | IP20 (для помещений) |
| Тип аксессуара | Электрические компоненты |
| Цвет | белый |















