Универсальный актуатор Theben HMG 4 KNX (4910210)
Категории: Аксессуары и запчасти, Умный дом Theben KNX
Сопутствующие файлы:
Паспорт
224.36 KBytes
o5661v42_KNX_HB_HMG_4_hb_V1_2_1203_Handbuch.pdf
Инструкция
204.09 KBytes
o5667v32_KNXHMG4_HME4_Bedienungsanleitung.pdf
Обзор
Описание функций
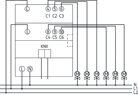
- REG 4-ходовой активатор отопления, KNX TP, Data Secure
- С 4 встроенными контроллерами для управления термоприводами 24–240 В.
- Базовый модуль MIX2
- Для расширения до 18 каналов
- Для управления термоприводами 24–240 В переменного тока в 2 группах, каждая по 3 выхода и 450 мА.
- (Из-за поведения приводов при включении мы рекомендуем не превышать максимальную нагрузку для приводов 3x1 24 В переменного тока или приводов 3x5 230 В переменного тока)
- С защитой от короткого замыкания и перегрузки.
- Выбор непрерывной или переключаемой регулируемой переменной
- Функцию защиты клапана можно отключить.
- С режимами: комфорт, режим ожидания, ночь и режим защиты от замерзания/жары.
Технические характеристики
| Рабочее напряжение KNX | Напряжение шины, ≤4 мА |
| Ширина | 4 ТЕ |
| тип соединения | винтовые клеммы | Шинное соединение: шинный терминал KNX |
| тип крепления | DIN-рейка |
| Максимальное сечение кабеля | Сплошной: от 0,5 мм² (Ø 0,8) до 6 мм² | Провод с наконечником: от 0,5 мм² до 4 мм². |
| рабочее напряжение | 110–240 В переменного тока, 50–60 Гц |
| Класс защиты | II согласно EN 60 669 |
| Степень защиты | IP 20 |
Технические рисунки


Характеристики
| Бренд | Theben |
| Гарантия | 24 мес. |
| Вид питания | KNX |
| Степень защиты | IP20 (для помещений) |
| Тип аксессуара | Электрические компоненты |
| Цвет | белый |















